Drehtische und Direktantriebe
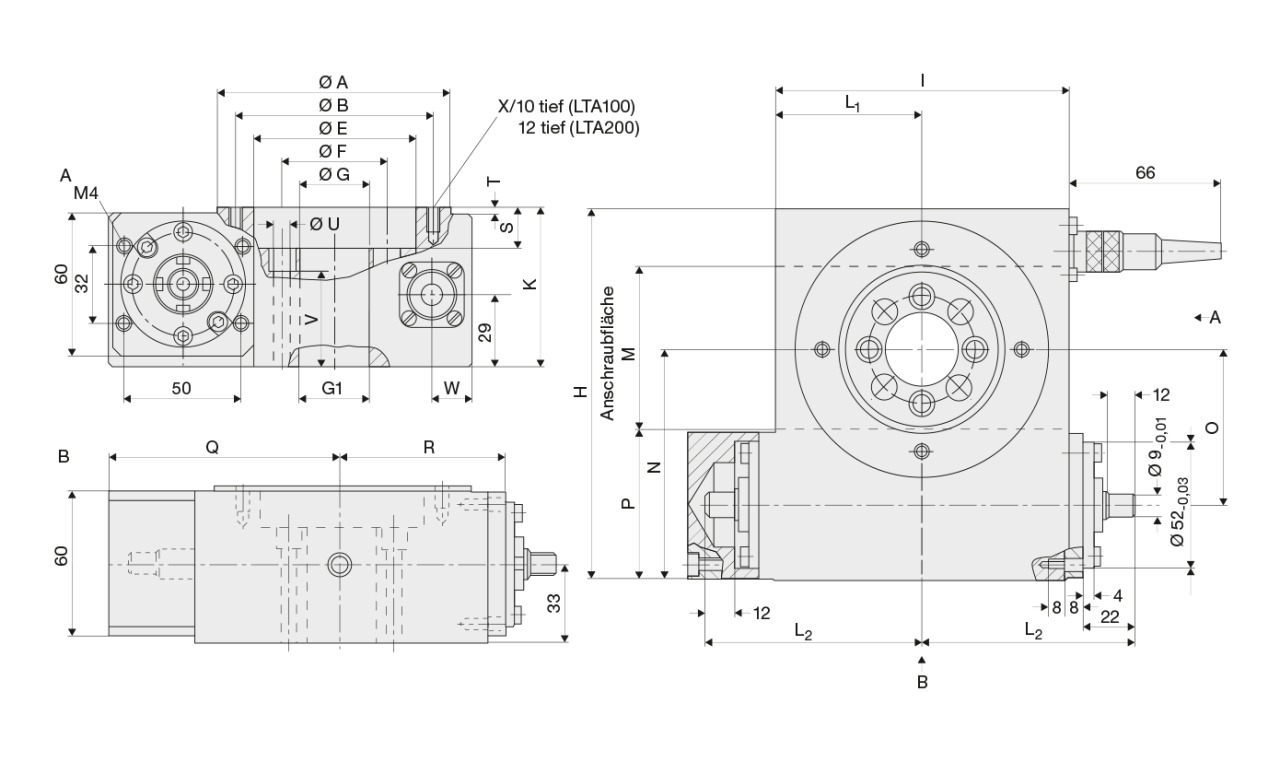
Drehtisch Typ LTA
91800A
| Stückpreis: | -,- EUR | |
| Preis | -,- EUR |
Werkstoffe
Grundplatte: Aluminium
Gehäuse: V2A
Kugellaufringe: gehärteter und vergüteter Chrom-Sillizium Stahl
Wälzkörper: gehärteter Wälzlagerstahl
Schneckenrad: verschleißfeste Bronzelegierung
Schneckenwelle: CK45N gehärtet und geschliffen
Einsatztemperatur –10 °C bis +80 °C
Einbaulage Beliebig, vorzugsweise horizontal
Schmierstoff Wälzlagerfett über Schmiernippel
Optionen Induktive Näherungsschalter, Flansch/Kupplung für Motoranbau, Motorisierung
| Genauigkeit | |
| Drehzahl | |
| Belastbarkeit | |
| Preis |
Meine Ansprechpartner für dieses Produkt
Ihr Ansprechpartner vor Ort
Franke GmbH
Obere Bahnstraße 64
D-73431 Aalen
Tel.: +49 7361 9200
vertrieb@franke-gmbh.de

Lassen Sie sich beraten!
Von einem Franke Experten über Video-Chat, bei Ihnen vor Ort oder bei uns im Haus.