Dichtungen
Die Drehverbindungen sind standardmäßig mit der Manschettendichtung S10 ausgestattet. Temperatur: –30 °C bis +80 °C (NBR). Max. Umfangsgeschwindigkeit: 5 m/s.
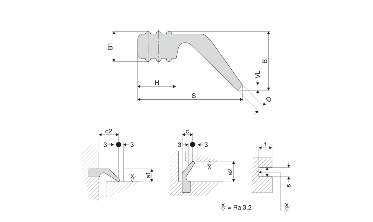
Für die Abdichtung der Konstruktion (z. B. beim Einsatz eines Lagerelementes) kann die Dichtung als Meterware bestellt werden. Die Stoßstelle wird dann mit dem Kleber Loctite 401® verklebt.
Sonderdichtungen sind auf Anfrage erhältlich. Für Hochtemperaturen oder agressive Medien bietet Franke Viton-Dichtungen an.
| Profil | Abmessungen mm |
Werkstoff | Vorspannung mm |
Gewicht kg/m |
Best.-Nr. | |||
|---|---|---|---|---|---|---|---|---|
| S | H | B±0,3 | B1±0,2 | D | VL1 | |||
| 09 | 3,5 | 4,8 | 2,5 | 0,8 | Perbunan 70NBR/221 | 1,0 | 0,026 | 00928 |
| 10 | 4,2 | 5,3 | 3,0 | 0,8 | Perbunan 70NBR/221 | 0,5...1,5 | 0,026 | 09080 |
| 10 | 4,2 | 5,3 | 3,0 | 0,8 | FKM 70 (Viton) | 0,5...1,5 | 0,026 | 102530 |
| 15 | 5,5 | 8,1 ± 0,7 | 4,3 ± 0,5 | 1,0 | Perbunan 70NBR/221 | 0,5...2,0 | 0,051 | 09190 |
| Profil | Einbaumaße mm |
Nutmaße mm |
||||
|---|---|---|---|---|---|---|
| S | c | c2 | a1 | a2 | t+0,2 | s |
| 09 | 4,5 + 1 | 3,65 + 1 | 3,1...4,1 | 4,0...5,0 | 3,5 | 2,35+/-0,05 |
| 10 | 5 + 1 | 5,5 + 1 | 3,6...4,6 | 4,3...5,3 | 4,2 | 2,9 + 0,1 |
| 15 | 8 + 1,5 | 9,0 + 1,5 | 6,3...7,7 | 7,5...9,0 | 5,5 | 3,9 + 0,1 |