Wälzlager mit profilierten Laufbahnen
Kugellager Typ LER
610704
Beschreibung
Franke Lagerelemente vom Typ LER eignen sich für mittlere Drehgeschwindigkeiten und Genauigkeiten. Sie überzeugen durch leichten Lauf, hohe Dynamik und kompakten Einbauraum. Durch die geraden Anlageflächen ergibt sich eine einfache Integration in die umschließende Konstruktion sowie eine hohe Steifigkeit.
Der günstige Preis macht das Lagerelement vom Typ LER zu einer wirtschaftlichen Lösung. LER werden in der Regel spielfrei eingebaut. Je nach Anforderung kann die Vorspannung individuell eingestellt werden.
Werkstoffe
Kugellaufringe: gehärteter und vergüteter Chrom-Sillizium Stahl
Wälzkörper: gehärteter Wälzlagerstahl
Käfig: Polyamid bzw. thermoplastisches Polyurethan
Einsatztemperatur –30 °C bis +80 °C, kurzfristig bis +100 °C
Umfangsgeschwindigkeit Max. 5 m/s, ohne Dichtung max. 10 m/s
Schmierstoff Shell Gadus S3 V220 C2
| Laufruhe | |
| Genauigkeit | |
| Drehzahl | |
| Steifigkeit | |
| Montage | |
| Preis |
Jetzt neu in Minimalgröße:
das Franke LER 1.5
Basis-Daten
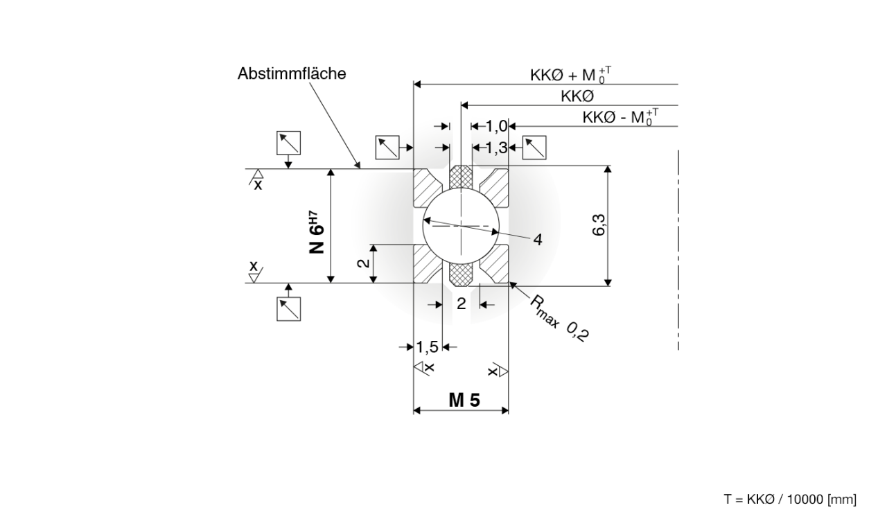
- Einbauraum 5 x 6 mm
- KKØ: 40 - 150 mm
Die Vorteile
- Minimaler Einbauraum
- Minimales Gewicht
- Anpassbare Vorspannung
- Günstiger Preis
- Spielfreie Lagerung
- Hohe Belastbarkeit
- Rechteckprofil für geringeren
Fertigungs- und Montageaufwand
kompakt
leicht
Vorspannung Einstellbar
geringe Kosten
Minimaler Einbauraum, minimaler Preis
Im Zuge der allgemeinen Miniaturisierung hat Franke das Lagerelement LER 1.5 entwickelt. Im Wettbewerbsumfeld kleiner, kompakter und leichtgewichtiger Lager ist das Franke LER 1.5 das platzsparendste. Im Unterschied zu einem Dünnringlager oder einem Kunststofffgleitlager ist außerdem die Vorspannung beim LER 1.5 einstellbar – präzise nach den Kriterien der Anwendung. Aber nicht nur durch seine besonderen Leistungen überzeugt das LER 1.5, sondern auch durch einen besonders attraktiven Preis.

rechteckiger Profildraht
Vorteil Rechteckprofil
Wie alle Lager des Typs LER verfügt das LER 1.5 über Laufdrähte aus rechteckigem Profildraht. Daher kann das Drahtbett hier ebenfalls rechtwinklig ausgeführt werden. Das ist gerade im Miniaturbereich hilfreich und reduziert den Fertigungsaufwand der Gehäuseteile beträchtlich. Zudem verbessert das Rechteckprofil die Steifigkeit und erleichtert die Montage.

Anwendungsfelder
Das LER 1.5 eignet sich besonders für ultrakompakte Anwendungen wie beispielsweise in sensitiven Robotern für die Mensch-Roboter-Kollaboration (MRK), in maschinellen Exoskeletten oder in medizinischen Anwendungen. Dem Trend zur Miniaturisierung im Handlings- und Automatisierungbereich wird das neue LER 1.5 mit seinem geringen Einbauraum ideal gerecht. Kleine Drehtische, Greifer oder Manipulatoren lassen sich damit exakt und hoch belastbar bewegen.
Konstruktionsbeispiele
Meine Ansprechpartner für dieses Produkt
Ihr Ansprechpartner vor Ort
Franke GmbH
Obere Bahnstraße 64
D-73431 Aalen
Tel.: +49 7361 9200
vertrieb@franke-gmbh.de

Lassen Sie sich beraten!
Von einem Franke Experten über Video-Chat, bei Ihnen vor Ort oder bei uns im Haus.


